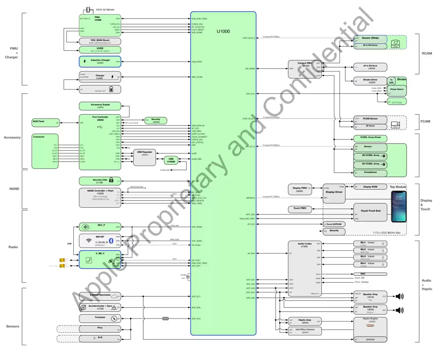
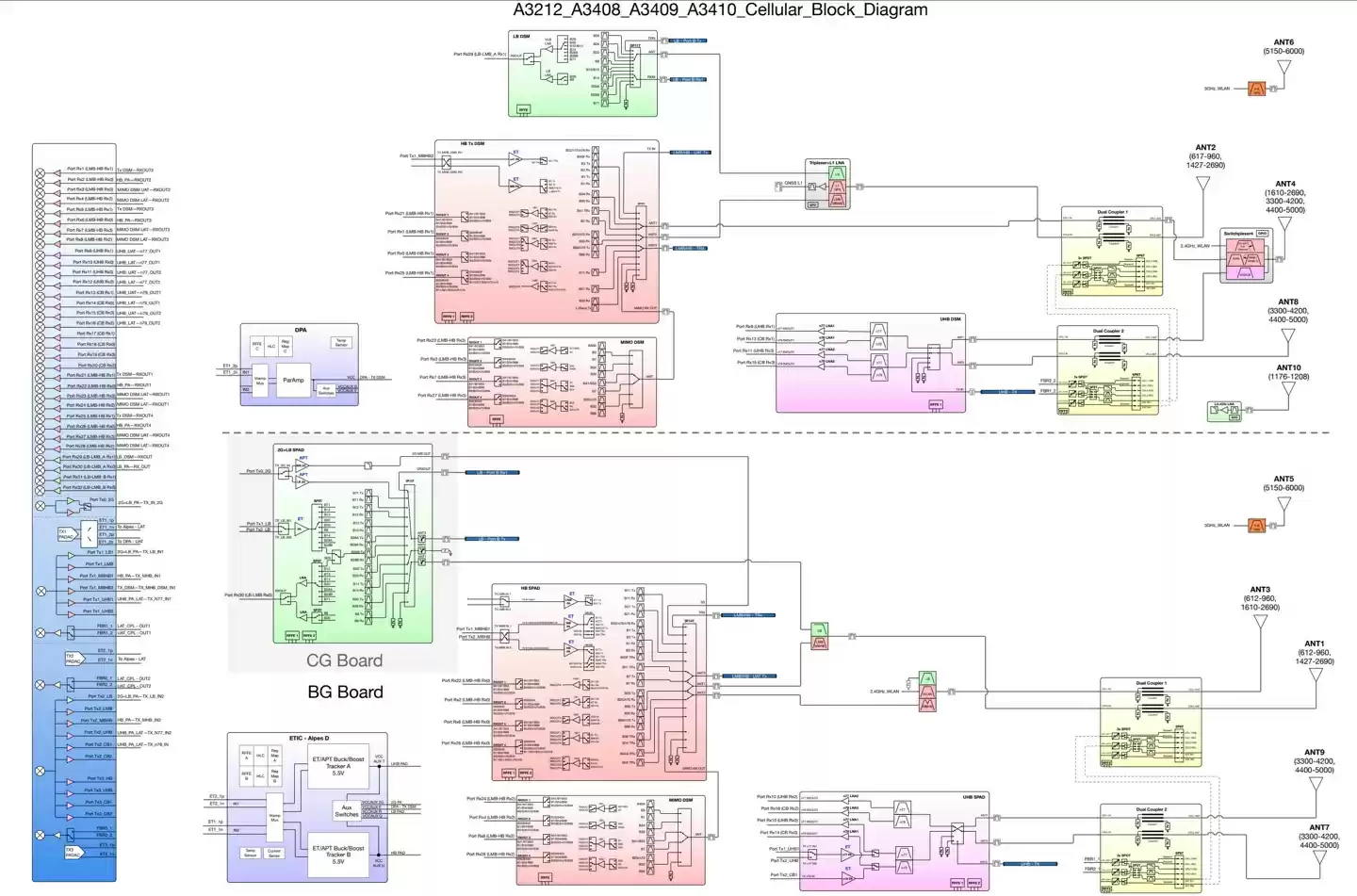
iPhone 16e设计原理图泄露:163页详析CPU与GPU架构
9 月 30 日消息,科技媒体 PCMag 昨日(9 月 29 日)发布博文,报道称美国联邦通信委员会(FCC)疑似意外泄露了苹果公司一款名为“iPhone 16e”的机密设计原理图,这份长达 163 页的文件详细描述了该设备的芯片信息,包括 CPU 和 GPU 配置。
免费影视、动漫、音乐、游戏、小说资源长期稳定更新! 👉 点此立即查看 👈
该文件由网友 UpsetKoalaBear 率先发现,在美国监管机构的备案信息中出现了一份本应保密的文件。该文件通过追踪 FCC 设备授权备案的第三方 FCC.io 被索引,从而进入了公众视野。
此次泄露的文件长达 163 页,几乎每一页都明确标注有“苹果专有与机密”字样。文件内容极为技术化,涵盖了 iPhone 16e 内部芯片的设计细节,包括中央处理器(CPU)和图形处理器(GPU)的具体配置,以及其他多种组件的布局。附上相关截图如下:




通常情况下,FCC 会对这类包含商业秘密的专有信息进行编辑处理或不予公布,但这次似乎是个例外,导致了敏感信息的直接曝光。
根据同期披露的苹果致函 FCC 的附函内容,苹果曾明确请求 FCC 将“电气原理图设计”等文件设置为永久不公开。苹果在信中强调:“这些文件揭示了受苹果公司保护的详细技术与设计信息,属于机密和专有商业秘密。”
公司进一步指出,一旦委员会披露这些信息,会让竞争对手获得不公平的优势,即便在该设备正式发布后,这种损害依然存在。
截至目前,苹果公司和 FCC 最新均未就此事发表任何评论。不过,种种迹象表明监管机构可能已经采取了补救措施。当前在 FCC 的最新设备授权 上,已无法检索到这份 163 页的原理图文件,这暗示 FCC 可能在发现问题后紧急将其下线。

热门专题
最新APP
热门推荐
苹果折叠屏手机 iPhone Fold 最新渲染图曝光:摄像头凸起优化,设计更显精致 有关苹果公司首款折叠屏 iPhone 的传闻持续受到关注。4月5日,知名爆料者 Majin Bu 在社交平台X上再度分享了一组据称是 iPhone Fold 的高清渲染图,从多角度揭示了这款备受期待设备可能的外观设
通用性首选:官府无垢队阵容深度解析 在当前版本中,若要挑选一套兼具强度与广泛适用性的阵容,以官府流派【长孙无垢】为核心的搭配方案无疑是热门之选。这套经典组合通常由长孙无垢(官府)、李一桐、李善德、李光弼,以及关羽或平安组成。其核心战斗逻辑清晰且高效:一方面,依靠长孙无垢与李光弼的技能联动,通过对目标
洛克王国全精灵隐藏进化条件完整攻略大全 在《洛克王国》丰富多彩的冒险世界中,除了常规的等级进化,众多精灵还埋藏着独特的“隐藏进化”路径。这些特殊的进化条件,往往是解锁精灵终极形态、完成图鉴收集的关键所在。与普通进化方式不同,隐藏进化需要触发特定的环境、时间、道具或任务条件,充满了探索与解密的乐趣。你
燕云十六声石震关卡怎么过?高效通关技巧与实战攻略详解 掌握核心机制:石震关卡难点全解析 石震关卡的核心挑战在于敌人配置:不仅数量密集,且拥有高额血量和攻击力。这些敌人并非随机分布,而是依据特定区域、巡逻路线及攻击逻辑进行部署。提前掌握不同敌人的攻击前摇、技能范围与仇恨机制,是制定有效战术的前提,真正
英雄联盟手游安妮符文终极指南:爆发流核心配置与实战策略 在英雄联盟手游的对局中,黑暗之女安妮以其强大的瞬间爆发与控制能力,始终是中单位置的热门选择。虽然操作看似简单易懂,但想要真正掌握这位火焰法师的精髓,打出毁天灭地的效果,一套科学高效的符文搭配是不可或缺的基石。正确的符文选择,能让她从温顺的火苗化





