首页 游戏 软件 资讯 排行榜 专题
首页
AI
百度网盘AI大赛-文档检测优化赛B榜第一名方案

百度网盘AI大赛-文档检测优化赛B榜第一名方案

热心网友
37
转载
2025-07-20
手机拍照已经是日常工作生活中很常见的一种行为。本次比赛需要通过算法去除杂乱的拍摄背景并精准矿区文档边缘,通过对给定的真实场景下采集得到的带有拍摄背景的文件图片进行边缘智能识别,最终输出处理后的扫描结果图片。

百度网盘ai大赛-文档检测优化赛b榜第一名方案 - 游乐网

一、赛题介绍

手机拍照已经是日常工作生活中很常见的一种行为。本次比赛需要通过算法去除杂乱的拍摄背景并精准矿区文档边缘,通过对给定的真实场景下采集得到的带有拍摄背景的文件图片进行边缘智能识别,最终输出处理后的扫描结果图片。

二、竞赛数据集

数据集基本涵盖了日常生活中常见的文档种类,包含了2797张图片,分别提供了文档mask标注png格式、文档边缘mask标注png格式、文档边缘关键点点对的标注方式。百度网盘AI大赛-文档检测优化赛B榜第一名方案 - 游乐网

免费影视、动漫、音乐、游戏、小说资源长期稳定更新! 👉 点此立即查看 👈

三、赛题分析与训练调优过程

1、赛题分析

本次赛题的目的是通过算法计算文档的四个拐点坐标,在提供的baseline(https://aistudio.baidu.com/aistudio/projectdetail/3861946) 里面是直接通过回归四个关键点的方式进行计算的,四个点的坐标直接从边缘关键点点对中提取。

# 从关键点点对中提取四个角点的坐标def get_corner(self, sites, corner_flag):    # corner_flag 1:top_left 2:top_right 3:bottom_right 4:bottom_left    if corner_flag == 1:        target_sites = [0,0]    elif corner_flag == 2 :        target_sites = [1,0]    elif corner_flag == 3 :        target_sites = [1,1]    elif corner_flag == 4 :        target_sites = [0,1]    min_dis = 3    best_x = 0    best_y = 0    for site in sites:        if abs(site[0]-target_sites[0])+abs(site[1]-target_sites[1])登录后复制

通过baseline的总结和塞梯介绍的video,总结可以通过两种方式解决这个赛题。百度网盘AI大赛-文档检测优化赛B榜第一名方案 - 游乐网

百度网盘AI大赛-文档检测优化赛B榜第一名方案 - 游乐网

一种是直接利用回归模型计算文档四个角点,通过对数据的观察,发现部分角点位于图像边缘处,不利于角点回归的收敛,因此这种方式存在瓶颈。

百度网盘AI大赛-文档检测优化赛B榜第一名方案 - 游乐网

另一种是计算文档所在区域的mask,直接提交mask结果,由后台任务进行四个角点的提取并计算mIoU,这种方式简单明了,可以直接借助paddleSeg进行训练,因此本赛题采用paddleSeg进行训练验证。

2、模型选择

尝试一:在最新提供的baseline的基础上,将resnet152替换成HRNet64,其他保持不变,在A榜上取得miou为0.92851,排名二十二;尝试二:使用HRNet48作为backbone,使用DBNet的格式进行分割回归,在A榜最终miou为0.94751,排名十八;尝试三:使用paddleseg进行分割,使用unet发现存在分割图存在孔洞的情况,通过文献了解发现OCRNet,尝试使用OCRNet训练3000个epoch,在A榜miou得分为0.97011,排名第九;尝试四:本着大力出奇迹的想法,使用OCRNet训练30000个epoch,同时在loss上采用ohem模式,精细调整模拟退火的T_max为训练的总迭代次数,没来得及在A榜测试,在B榜提交miou得分为0.96402,排名第一。

2.1 HRNET介绍

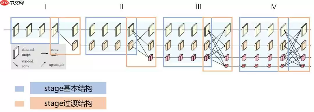
HRNet的backbone分成4个stage,每个stage分成蓝色框和橙色框两部分。其中蓝色框部分是每个stage的基本结构,由多个branch组成,HRNet中stage1蓝色框使用的是BottleNeck,stage2&3&4蓝色框使用的是BasicBlock。其中橙色框部分是每个stage的过渡结构,HRNet中stage1橙色框是一个TransitionLayer,stage2&3橙色框是一个FuseLayer和一个TransitionLayer的叠加,stage4橙色框是一个FuseLayer。

百度网盘AI大赛-文档检测优化赛B榜第一名方案 - 游乐网

2.2 OCRNET---基于物体区域的上下文信息

微软亚洲研究院提出的 OCR 方法的主要思想是显式地把像素分类问题转化成物体区域分类问题,这与语义分割问题的原始定义是一致的,即每一个像素的类别就是该像素属于的物体的类别,换言之,与 PSPNet 和 DeepLabv3+ 的上下文信息最主要的不同就在于 OCR 方法显式地增强了物体信息。 百度网盘AI大赛-文档检测优化赛B榜第一名方案 - 游乐网

OCR 方法的实现主要包括3个阶段,并给出每个阶段的矩阵表示(具体的计算过程可参考其开源的代码):

(1)从骨干网络得到特征表示,并估测一个简单粗略的语义分割结果作为 OCR 方法的一个输入 ,即软物体区域(Soft Object Regions),矩阵表示为bch*w;

(2)根据软物体区域(bchw)和网络最深层输入的特征表示(bkhw)表示计算出 K 组向量,即物体区域表示(Object Region Representations),其中每一个向量对应一个语义类别的特征表示,矩阵表示为bck*1;

(3)计算网络最深层输出的像素特征表示(Pixel Representations)与计算得到的物体区域特征表示(Object Region Representation)之间的关系矩阵(b*(hw)k),然后根据每个像素和物体区域特征表示在关系矩阵中的数值把物体区域特征加权求和,得到最后的物体上下文特征表示 OCR (Object Contextual Representation),矩阵表示为bkh*w 。

当把物体上下文特征表示 OCR (bkhw)与网络最深层输入的特征表示(bkhw)拼接之后作为上下文信息增强的特征表示(Augmented Representation)(b2kh*w),可以基于增强后的特征表示预测每个像素的语义类别,也可拼接上ASPP特征,即OCR+Features+ASPP,具体算法框架可以参考图5。

综上,OCR 可计算一组物体区域的特征表达,然后根据物体区域特征表示与像素特征表示之间的相似度将这些物体区域特征表示传播给每一个像素。百度网盘AI大赛-文档检测优化赛B榜第一名方案 - 游乐网

3、解压数据

In [1]
! wget https://staticsns.cdn.bcebos.com/amis/2024-4/1649731549425/train_datasets_document_detection_0411.zip! unzip -oq /home/aistudio/train_datasets_document_detection_0411.zip! rm -rf __MACOSX! rm -rf /home/aistudio/train_datasets_document_detection_0411.zip
登录后复制
--2024-05-24 20:34:44--  https://staticsns.cdn.bcebos.com/amis/2024-4/1649731549425/train_datasets_document_detection_0411.zip正在解析主机 staticsns.cdn.bcebos.com (staticsns.cdn.bcebos.com)... 221.195.34.35正在连接 staticsns.cdn.bcebos.com (staticsns.cdn.bcebos.com)|221.195.34.35|:443... 已连接。已发出 HTTP 请求,正在等待回应... 200 OK长度: 258661599 (247M) [application/zip]正在保存至: “train_datasets_document_detection_0411.zip”train_datasets_docu 100%[===================>] 246.68M  54.7MB/s    in 4.4s    2024-05-24 20:34:49 (56.4 MB/s) - 已保存 “train_datasets_document_detection_0411.zip” [258661599/258661599])
登录后复制

4、数据拆分(train:val=9:1)

创建文件夹,用来保存拆分后的数据

In [2]
!mkdir -p data/train/images data/train/labels!mkdir -p data/val/images data/val/labels
登录后复制

为了适配paddleseg,需要将标注的png图片转成单通道的png图片,并且里面mask区域标注为1(文档区域)或者0(背景区域)

In [3]
import osimport cv2import shutilfrom glob import globfrom tqdm import tqdm
登录后复制In [4]
idx = 0train_lst = []val_lst = []images = glob('train_datasets_document_detection_0411/images/*')  # 获取所有图片for image in tqdm(images):    idx = idx + 1    name = os.path.basename(image)    label = image.replace('images', 'segments').replace('.webp', '.webp')  # 获取mask分割图片    tp = 'val' if idx % 10 == 0 else 'train'  # train/val拆分    label_img = cv2.imread(label) // 255  # 1为文档区域,0为背景区域    cv2.imwrite(f'data/{tp}/labels/{os.path.basename(label)}', label_img[:,:,0])  # 保存单通道图片    shutil.copy(image, f'data/{tp}/images')    # shutil.copy(label, f'data/{tp}/labels')    if tp == 'train':        train_lst.append(name)    else:        val_lst.append(name)# 生成paddleseg训练需要的train_list.txt和val_list.txtwith open('train_list.txt', 'w') as f:    for fn in train_lst:        f.write(f"/home/aistudio/data/train/images/{fn} /home/aistudio/data/train/labels/{fn.replace('.webp', '.webp')}\n")    with open('val_list.txt', 'w') as f:    for fn in val_lst:        f.write(f"/home/aistudio/data/val/images/{fn} /home/aistudio/data/val/labels/{fn.replace('.webp', '.webp')}\n")
登录后复制
100%|██████████| 2797/2797 [00:13<00:00, 205.28it/s]
登录后复制

5、安装依赖包

安装特定版本的paddleseg(2.5.0)

In [5]
!pip install paddleseg==2.5.0
登录后复制
Looking in indexes: https://pypi.tuna.tsinghua.edu.cn/simpleCollecting paddleseg==2.5.0  Downloading https://pypi.tuna.tsinghua.edu.cn/packages/17/76/84a07245cb5a0ceae11a9a94c5d2be8a2cec94b3a0b883676d166eeacf2a/paddleseg-2.5.0-py3-none-any.whl (295 kB)     ━━━━━━━━━━━━━━━━━━━━━━━━━━━━━━━━━━━━━━━ 295.9/295.9 KB 1.0 MB/s eta 0:00:00a 0:00:01Requirement already satisfied: pyyaml>=5.1 in /opt/conda/envs/python35-paddle120-env/lib/python3.7/site-packages (from paddleseg==2.5.0) (5.1.2)Requirement already satisfied: scipy in /opt/conda/envs/python35-paddle120-env/lib/python3.7/site-packages (from paddleseg==2.5.0) (1.6.3)Requirement already satisfied: visualdl>=2.0.0 in /opt/conda/envs/python35-paddle120-env/lib/python3.7/site-packages (from paddleseg==2.5.0) (2.2.3)Requirement already satisfied: tqdm in /opt/conda/envs/python35-paddle120-env/lib/python3.7/site-packages (from paddleseg==2.5.0) (4.27.0)Requirement already satisfied: filelock in /opt/conda/envs/python35-paddle120-env/lib/python3.7/site-packages (from paddleseg==2.5.0) (3.0.12)Requirement already satisfied: prettytable in /opt/conda/envs/python35-paddle120-env/lib/python3.7/site-packages (from paddleseg==2.5.0) (0.7.2)Requirement already satisfied: sklearn in /opt/conda/envs/python35-paddle120-env/lib/python3.7/site-packages (from paddleseg==2.5.0) (0.0)Requirement already satisfied: opencv-python in /opt/conda/envs/python35-paddle120-env/lib/python3.7/site-packages (from paddleseg==2.5.0) (4.1.1.26)Requirement already satisfied: Pillow>=7.0.0 in /opt/conda/envs/python35-paddle120-env/lib/python3.7/site-packages (from visualdl>=2.0.0->paddleseg==2.5.0) (8.2.0)Requirement already satisfied: flask>=1.1.1 in /opt/conda/envs/python35-paddle120-env/lib/python3.7/site-packages (from visualdl>=2.0.0->paddleseg==2.5.0) (1.1.1)Requirement already satisfied: requests in /opt/conda/envs/python35-paddle120-env/lib/python3.7/site-packages (from visualdl>=2.0.0->paddleseg==2.5.0) (2.24.0)Requirement already satisfied: protobuf>=3.11.0 in /opt/conda/envs/python35-paddle120-env/lib/python3.7/site-packages (from visualdl>=2.0.0->paddleseg==2.5.0) (3.14.0)Requirement already satisfied: six>=1.14.0 in /opt/conda/envs/python35-paddle120-env/lib/python3.7/site-packages (from visualdl>=2.0.0->paddleseg==2.5.0) (1.16.0)Requirement already satisfied: bce-python-sdk in /opt/conda/envs/python35-paddle120-env/lib/python3.7/site-packages (from visualdl>=2.0.0->paddleseg==2.5.0) (0.8.53)Requirement already satisfied: pandas in /opt/conda/envs/python35-paddle120-env/lib/python3.7/site-packages (from visualdl>=2.0.0->paddleseg==2.5.0) (1.1.5)Requirement already satisfied: flake8>=3.7.9 in /opt/conda/envs/python35-paddle120-env/lib/python3.7/site-packages (from visualdl>=2.0.0->paddleseg==2.5.0) (4.0.1)Requirement already satisfied: pre-commit in /opt/conda/envs/python35-paddle120-env/lib/python3.7/site-packages (from visualdl>=2.0.0->paddleseg==2.5.0) (1.21.0)Requirement already satisfied: shellcheck-py in /opt/conda/envs/python35-paddle120-env/lib/python3.7/site-packages (from visualdl>=2.0.0->paddleseg==2.5.0) (0.7.1.1)Requirement already satisfied: numpy in /opt/conda/envs/python35-paddle120-env/lib/python3.7/site-packages (from visualdl>=2.0.0->paddleseg==2.5.0) (1.19.5)Requirement already satisfied: Flask-Babel>=1.0.0 in /opt/conda/envs/python35-paddle120-env/lib/python3.7/site-packages (from visualdl>=2.0.0->paddleseg==2.5.0) (1.0.0)Requirement already satisfied: matplotlib in /opt/conda/envs/python35-paddle120-env/lib/python3.7/site-packages (from visualdl>=2.0.0->paddleseg==2.5.0) (2.2.3)Requirement already satisfied: scikit-learn in /opt/conda/envs/python35-paddle120-env/lib/python3.7/site-packages (from sklearn->paddleseg==2.5.0) (0.24.2)Requirement already satisfied: importlib-metadata<4.3 in /opt/conda/envs/python35-paddle120-env/lib/python3.7/site-packages (from flake8>=3.7.9->visualdl>=2.0.0->paddleseg==2.5.0) (4.2.0)Requirement already satisfied: pycodestyle<2.9.0,>=2.8.0 in /opt/conda/envs/python35-paddle120-env/lib/python3.7/site-packages (from flake8>=3.7.9->visualdl>=2.0.0->paddleseg==2.5.0) (2.8.0)Requirement already satisfied: pyflakes<2.5.0,>=2.4.0 in /opt/conda/envs/python35-paddle120-env/lib/python3.7/site-packages (from flake8>=3.7.9->visualdl>=2.0.0->paddleseg==2.5.0) (2.4.0)Requirement already satisfied: mccabe<0.7.0,>=0.6.0 in /opt/conda/envs/python35-paddle120-env/lib/python3.7/site-packages (from flake8>=3.7.9->visualdl>=2.0.0->paddleseg==2.5.0) (0.6.1)Requirement already satisfied: itsdangerous>=0.24 in /opt/conda/envs/python35-paddle120-env/lib/python3.7/site-packages (from flask>=1.1.1->visualdl>=2.0.0->paddleseg==2.5.0) (1.1.0)Requirement already satisfied: click>=5.1 in /opt/conda/envs/python35-paddle120-env/lib/python3.7/site-packages (from flask>=1.1.1->visualdl>=2.0.0->paddleseg==2.5.0) (7.0)Requirement already satisfied: Jinja2>=2.10.1 in /opt/conda/envs/python35-paddle120-env/lib/python3.7/site-packages (from flask>=1.1.1->visualdl>=2.0.0->paddleseg==2.5.0) (3.0.0)Requirement already satisfied: Werkzeug>=0.15 in /opt/conda/envs/python35-paddle120-env/lib/python3.7/site-packages (from flask>=1.1.1->visualdl>=2.0.0->paddleseg==2.5.0) (0.16.0)Requirement already satisfied: Babel>=2.3 in /opt/conda/envs/python35-paddle120-env/lib/python3.7/site-packages (from Flask-Babel>=1.0.0->visualdl>=2.0.0->paddleseg==2.5.0) (2.8.0)Requirement already satisfied: pytz in /opt/conda/envs/python35-paddle120-env/lib/python3.7/site-packages (from Flask-Babel>=1.0.0->visualdl>=2.0.0->paddleseg==2.5.0) (2019.3)Requirement already satisfied: pycryptodome>=3.8.0 in /opt/conda/envs/python35-paddle120-env/lib/python3.7/site-packages (from bce-python-sdk->visualdl>=2.0.0->paddleseg==2.5.0) (3.9.9)Requirement already satisfied: future>=0.6.0 in /opt/conda/envs/python35-paddle120-env/lib/python3.7/site-packages (from bce-python-sdk->visualdl>=2.0.0->paddleseg==2.5.0) (0.18.0)Requirement already satisfied: python-dateutil>=2.1 in /opt/conda/envs/python35-paddle120-env/lib/python3.7/site-packages (from matplotlib->visualdl>=2.0.0->paddleseg==2.5.0) (2.8.2)Requirement already satisfied: cycler>=0.10 in /opt/conda/envs/python35-paddle120-env/lib/python3.7/site-packages (from matplotlib->visualdl>=2.0.0->paddleseg==2.5.0) (0.10.0)Requirement already satisfied: kiwisolver>=1.0.1 in /opt/conda/envs/python35-paddle120-env/lib/python3.7/site-packages (from matplotlib->visualdl>=2.0.0->paddleseg==2.5.0) (1.1.0)Requirement already satisfied: pyparsing!=2.0.4,!=2.1.2,!=2.1.6,>=2.0.1 in /opt/conda/envs/python35-paddle120-env/lib/python3.7/site-packages (from matplotlib->visualdl>=2.0.0->paddleseg==2.5.0) (3.0.8)Requirement already satisfied: identify>=1.0.0 in /opt/conda/envs/python35-paddle120-env/lib/python3.7/site-packages (from pre-commit->visualdl>=2.0.0->paddleseg==2.5.0) (1.4.10)Requirement already satisfied: aspy.yaml in /opt/conda/envs/python35-paddle120-env/lib/python3.7/site-packages (from pre-commit->visualdl>=2.0.0->paddleseg==2.5.0) (1.3.0)Requirement already satisfied: toml in /opt/conda/envs/python35-paddle120-env/lib/python3.7/site-packages (from pre-commit->visualdl>=2.0.0->paddleseg==2.5.0) (0.10.0)Requirement already satisfied: nodeenv>=0.11.1 in /opt/conda/envs/python35-paddle120-env/lib/python3.7/site-packages (from pre-commit->visualdl>=2.0.0->paddleseg==2.5.0) (1.3.4)Requirement already satisfied: cfgv>=2.0.0 in /opt/conda/envs/python35-paddle120-env/lib/python3.7/site-packages (from pre-commit->visualdl>=2.0.0->paddleseg==2.5.0) (2.0.1)Requirement already satisfied: virtualenv>=15.2 in /opt/conda/envs/python35-paddle120-env/lib/python3.7/site-packages (from pre-commit->visualdl>=2.0.0->paddleseg==2.5.0) (16.7.9)Requirement already satisfied: urllib3!=1.25.0,!=1.25.1,<1.26,>=1.21.1 in /opt/conda/envs/python35-paddle120-env/lib/python3.7/site-packages (from requests->visualdl>=2.0.0->paddleseg==2.5.0) (1.25.6)Requirement already satisfied: chardet<4,>=3.0.2 in /opt/conda/envs/python35-paddle120-env/lib/python3.7/site-packages (from requests->visualdl>=2.0.0->paddleseg==2.5.0) (3.0.4)Requirement already satisfied: certifi>=2017.4.17 in /opt/conda/envs/python35-paddle120-env/lib/python3.7/site-packages (from requests->visualdl>=2.0.0->paddleseg==2.5.0) (2019.9.11)Requirement already satisfied: idna<3,>=2.5 in /opt/conda/envs/python35-paddle120-env/lib/python3.7/site-packages (from requests->visualdl>=2.0.0->paddleseg==2.5.0) (2.8)Requirement already satisfied: joblib>=0.11 in /opt/conda/envs/python35-paddle120-env/lib/python3.7/site-packages (from scikit-learn->sklearn->paddleseg==2.5.0) (0.14.1)Requirement already satisfied: threadpoolctl>=2.0.0 in /opt/conda/envs/python35-paddle120-env/lib/python3.7/site-packages (from scikit-learn->sklearn->paddleseg==2.5.0) (2.1.0)Requirement already satisfied: zipp>=0.5 in /opt/conda/envs/python35-paddle120-env/lib/python3.7/site-packages (from importlib-metadata<4.3->flake8>=3.7.9->visualdl>=2.0.0->paddleseg==2.5.0) (3.8.0)Requirement already satisfied: typing-extensions>=3.6.4 in /opt/conda/envs/python35-paddle120-env/lib/python3.7/site-packages (from importlib-metadata<4.3->flake8>=3.7.9->visualdl>=2.0.0->paddleseg==2.5.0) (4.2.0)Requirement already satisfied: MarkupSafe>=2.0.0rc2 in /opt/conda/envs/python35-paddle120-env/lib/python3.7/site-packages (from Jinja2>=2.10.1->flask>=1.1.1->visualdl>=2.0.0->paddleseg==2.5.0) (2.0.1)Requirement already satisfied: setuptools in /opt/conda/envs/python35-paddle120-env/lib/python3.7/site-packages (from kiwisolver>=1.0.1->matplotlib->visualdl>=2.0.0->paddleseg==2.5.0) (56.2.0)Installing collected packages: paddlesegSuccessfully installed paddleseg-2.5.0WARNING: You are using pip version 22.0.4; however, version 22.1.1 is available.You should consider upgrading via the '/opt/conda/envs/python35-paddle120-env/bin/python -m pip install --upgrade pip' command.
登录后复制

6、训练时图像增强方式

训练时,采用随机水平翻转、随机像素替换、随即旋转、随机模糊策略、随机尺度变换、resize和normalize变换;

在推理和测试阶段,只采用resize和normalize变换。

In [6]
#创建Transformimport paddleseg.transforms as Tfrom paddleseg.datasets import OpticDiscSeg,Datasettrain_transforms = [    T.RandomHorizontalFlip(),                                                              # 水平翻转    T.RandomDistort(),                                                                     # 随机扭曲    T.RandomRotation(max_rotation = 10,im_padding_value =(0,0,0),label_padding_value = 0), # 随机旋转    T.RandomBlur(),                                                                        # 随机模糊    T.RandomScaleAspect(min_scale = 0.8, aspect_ratio = 0.5),                              # 随机缩放        T.Resize(target_size=(512, 512)),    T.Normalize()                                                                          # 归一化 mean Default: [0.5, 0.5, 0.5]  std Default: [0.5, 0.5, 0.5].]val_transforms = [    T.Resize(target_size=(512, 512)),    T.Normalize()]test_transforms = [    T.Resize(target_size=(512, 512)),    T.Normalize()]
登录后复制

7、构建数据集(Dataset)

In [7]
#创建DataSetdataset_root = '/home/aistudio/data'train_path  = '/home/aistudio/train_list.txt'val_path  = '/home/aistudio/val_list.txt'# 构建训练集train_dataset = Dataset(  # Dataset为paddle默认的数据加载方式,如有需要可以重写此类,这里不需要    dataset_root=dataset_root,    train_path=train_path,    transforms=train_transforms,    num_classes=2,  # 0/1两种类别    mode='train'    )# 构建验证集val_dataset = Dataset(    dataset_root=dataset_root,    val_path=val_path,    transforms=val_transforms,    num_classes=2,        mode='val'    )
登录后复制

8、预览数据

第一次可能执行不成功,需要再执行一次

In [9]
# 预览数据import matplotlib.pyplot as pltimport numpy as npplt.figure(figsize=(16,16))for i in range(1,6,2):    img, label = train_dataset[100]    label = label * 255    img = np.transpose(img, (1,2,0))    img = img*0.5 + 0.5    plt.subplot(3,2,i),plt.imshow(img,'gray'),plt.title('img'),plt.xticks([]),plt.yticks([])    plt.subplot(3,2,i+1),plt.imshow(label,'gray'),plt.title('label'),plt.xticks([]),plt.yticks([])    plt.show()
登录后复制
/opt/conda/envs/python35-paddle120-env/lib/python3.7/site-packages/matplotlib/image.py:425: DeprecationWarning: np.asscalar(a) is deprecated since NumPy v1.16, use a.item() instead  a_min = np.asscalar(a_min.astype(scaled_dtype))/opt/conda/envs/python35-paddle120-env/lib/python3.7/site-packages/matplotlib/image.py:426: DeprecationWarning: np.asscalar(a) is deprecated since NumPy v1.16, use a.item() instead  a_max = np.asscalar(a_max.astype(scaled_dtype))
登录后复制
登录后复制
登录后复制登录后复制
登录后复制登录后复制

9、网络初始化

In [10]
from paddleseg.models import OCRNet, UNetfrom paddleseg.models import HRNet_W48backbone = HRNet_W48(pretrained="https://bj.bcebos.com/paddleseg/dygraph/hrnet_w48_ssld.tar.gz")model = OCRNet(num_classes=2, backbone=backbone, backbone_indices=[0])
登录后复制
W0524 20:35:36.742081   165 gpu_context.cc:278] Please NOTE: device: 0, GPU Compute Capability: 8.0, Driver API Version: 11.2, Runtime API Version: 11.2W0524 20:35:36.745203   165 gpu_context.cc:306] device: 0, cuDNN Version: 8.2.
登录后复制
2024-05-24 20:35:41 [INFO]Loading pretrained model from https://bj.bcebos.com/paddleseg/dygraph/hrnet_w48_ssld.tar.gzConnecting to https://bj.bcebos.com/paddleseg/dygraph/hrnet_w48_ssld.tar.gzDownloading hrnet_w48_ssld.tar.gz[==================================================] 100.00%Uncompress hrnet_w48_ssld.tar.gz[==================================================] 100.00%2024-05-24 20:36:03 [INFO]There are 1525/1525 variables loaded into HRNet.
登录后复制

10、设置优化器、调度器、loss

优化器采用paddle自带的Momentum;

调度器采用余弦模拟退火,T_max为总训练次数;(注:通过计算,可以知道lr最后会下降到什么问题,也有可能restart,让T_max==max_ter,主要是让最后学习率下降接近于0)

OCRNet的loss需要采用2个loss,这里采用带有难例挖掘的交叉熵损失和Dice损失,二者权重为1和0.2,表示更加关注带有难例的交叉熵损失。

In [13]
from paddleseg.models.losses import CrossEntropyLoss,DiceLoss,LovaszHingeLoss, MixedLoss, OhemCrossEntropyLossimport paddle# 设置学习率  base_lr = 0.002lr = paddle.optimizer.lr.CosineAnnealingDecay(learning_rate=base_lr, T_max=30000, verbose=False)#参数分别为初始学习率,训练的上限轮数,verbose若为true则每一轮更新时会输出一条信息# 设置优化器(这里选的是momentnum优化器)optimizer = paddle.optimizer.Momentum(lr, parameters=model.parameters(), momentum=0.9, weight_decay=4.0e-5)#参数分别为学习率,优化器需要优化的参数,动量因子,正则化方法(可以是float类型的L2正则化系数或者正则化策略)# 组合dice损失函数(混合损失运算)losses = {}losses['types'] = [OhemCrossEntropyLoss(), DiceLoss()]losses['coef'] = [1, 0.2]
登录后复制

11、启动训练

采用paddleseg自带的train函数启动训练

In [14]
from paddleseg.core import traintrain(    model=model,                       # 网络模型    train_dataset=train_dataset,       # 填写训练集的dataset    val_dataset=val_dataset,           # 填写验证集的dataset    optimizer=optimizer,               # 优化器    save_dir='/home/aistudio/output',    # 保存路径    iters=30000,                        # 训练次数    batch_size=16,                      # 每批处理图片的张数    save_interval=3000,                 # 保存的间隔次数    log_iters=100,                      # 日志打印间隔    num_workers=0,                     # 异步加载数据的进程数目    losses=losses,                     # 传入loss函数    use_vdl=True)                      # 是否使用visualDL,visualDL是飞桨可视化分析工具,以丰富的图表呈现训练参数变化趋势、模型结构、数据样本、高维数据分布等
登录后复制
/opt/conda/envs/python35-paddle120-env/lib/python3.7/site-packages/paddle/nn/layer/norm.py:654: UserWarning: When training, we now always track global mean and variance.  "When training, we now always track global mean and variance.")/opt/conda/envs/python35-paddle120-env/lib/python3.7/site-packages/paddle/fluid/dygraph/math_op_patch.py:278: UserWarning: The dtype of left and right variables are not the same, left dtype is paddle.float32, but right dtype is paddle.int64, the right dtype will convert to paddle.float32  format(lhs_dtype, rhs_dtype, lhs_dtype))
登录后复制
2024-05-24 17:54:44 [INFO][TRAIN] epoch: 1, iter: 100/30000, loss: 0.7298, lr: 0.002000, batch_cost: 1.6588, reader_cost: 0.00992, ips: 9.6454 samples/sec | ETA 13:46:38
登录后复制---------------------------------------------------------------------------KeyboardInterrupt Traceback (most recent call last)/tmp/ipykernel_202/1080567950.py in  13 num_workers=0,  # 异步加载数据的进程数目 14 losses=losses,  # 传入loss函数 ---> 15 use_vdl=True) # 是否使用visualDL,visualDL是飞桨可视化分析工具,以丰富的图表呈现训练参数变化趋势、模型结构、数据样本、高维数据分布等 /opt/conda/envs/python35-paddle120-env/lib/python3.7/site-packages/paddleseg/core/train.py in train(model, train_dataset, val_dataset, optimizer, save_dir, iters, batch_size, resume_model, save_interval, log_iters, num_workers, use_vdl, losses, keep_checkpoint_max, test_config, precision, amp_level, profiler_options, to_static_training) 214 optimizer.step(loss) 215  else:--> 216  optimizer.step() 217 218 lr = optimizer.get_lr()  in step(self) /opt/conda/envs/python35-paddle120-env/lib/python3.7/site-packages/paddle/fluid/dygraph/base.py in __impl__(func, *args, **kwargs) 297 def __impl__(func, *args,**kwargs): 298  with _switch_tracer_mode_guard_(is_train=False): --> 299 return func(*args, **kwargs) 300 301  return __impl__(func)  in step(self) /opt/conda/envs/python35-paddle120-env/lib/python3.7/site-packages/paddle/fluid/wrapped_decorator.py in __impl__(func, *args, **kwargs) 23 def __impl__(func, *args, **kwargs): 24 wrapped_func = decorator_func(func) ---> 25 return wrapped_func(*args, **kwargs) 26 27  return __impl__ /opt/conda/envs/python35-paddle120-env/lib/python3.7/site-packages/paddle/fluid/framework.py in __impl__(*args, **kwargs) 432 assert _non_static_mode( 433 ), "We only support '%s()' in dynamic graph mode, please call 'paddle.disable_static()' to enter dynamic graph mode." % func.__name__ --> 434  return func(*args, **kwargs) 435 436 return __impl__ /opt/conda/envs/python35-paddle120-env/lib/python3.7/site-packages/paddle/optimizer/optimizer.py in step(self) 1218 1219 self._apply_optimize( -> 1220 loss=None, startup_program=None, params_grads=params_grads) 1221 1222  else: /opt/conda/envs/python35-paddle120-env/lib/python3.7/site-packages/paddle/optimizer/optimizer.py in _apply_optimize(self, loss, startup_program, params_grads) 961params_grads['params'] = self.append_regularization_ops( 962 params_grads['params'], self.regularization) --> 963  optimize_ops = self._create_optimization_pass(params_grads) 964 else: 965 program = loss.block.program /opt/conda/envs/python35-paddle120-env/lib/python3.7/site-packages/paddle/optimizer/optimizer.py in _create_optimization_pass(self, parameters_and_grads) 765 if param_and_grad[0].stop_gradient is False: 766 self._append_optimize_op(target_block, --> 767 param_and_grad) 768else: 769 for param_and_grad in parameters_and_grads['params']: /opt/conda/envs/python35-paddle120-env/lib/python3.7/site-packages/paddle/optimizer/momentum.py in _append_optimize_op(self, block, param_and_grad) 324  'regularization_method',regularization_method, 325 'regularization_coeff', regularization_coeff, 'multi_precision', --> 326 find_master) 327  return None 328 if in_dygraph_mode(): KeyboardInterrupt: 

12、推理测试

测试的结果会被保存在/home/aistudio/output/results路径下

In [11]
from paddleseg.core import predicttransforms = T.Compose([    T.Resize(target_size=(512, 512)),    T.Normalize()])from paddleseg.models import OCRNet, UNetfrom paddleseg.models import HRNet_W48backbone = HRNet_W48(pretrained="https://bj.bcebos.com/paddleseg/dygraph/hrnet_w48_ssld.tar.gz")model = OCRNet(num_classes=2, backbone=backbone, backbone_indices=[0])# 生成图片列表image_list = []with open('/home/aistudio/val_list.txt' ,'r') as f:    for line in f.readlines():        image_list.append(line.split()[0])predict(        model,        # 保存的模型文件        model_path = '/home/aistudio/output/best_model/model.pdparams',        transforms=transforms,        image_list=image_list,        save_dir='/home/aistudio/output/results',    )
登录后复制
2024-05-24 20:36:08 [INFO]Loading pretrained model from https://bj.bcebos.com/paddleseg/dygraph/hrnet_w48_ssld.tar.gz2024-05-24 20:36:11 [INFO]There are 1525/1525 variables loaded into HRNet.2024-05-24 20:36:11 [INFO]Loading pretrained model from /home/aistudio/output/best_model/model.pdparams2024-05-24 20:36:12 [INFO]There are 1583/1583 variables loaded into OCRNet.2024-05-24 20:36:12 [INFO]Start to predict...
登录后复制
279/279 [==============================] - 57s 204ms/step
登录后复制代码解释

13、清理文件空间

In [14]
! rm -rf train_datasets_document_detection_0411/! rm -rf output/iter*! rm -rf output/results! rm -rf data/train* data/val*! rm *.txt
登录后复制
rm: 无法删除'*.txt': 没有那个文件或目录
登录后复制
来源:https://www.php.cn/faq/1410160.html
免责声明: 游乐网为非赢利性网站,所展示的游戏/软件/文章内容均来自于互联网或第三方用户上传分享,版权归原作者所有,本站不承担相应法律责任。如您发现有涉嫌抄袭侵权的内容,请联系youleyoucom@outlook.com。

相关攻略

Pywinrm,一个 Python 管理利器!
科技数码
Pywinrm,一个 Python 管理利器!

Pywinrm 通过Windows远程管理(WinRM)协议,让Python能够像操作本地一样执行远程Windows命令,真正打通了跨平台管理的最后一公里。 在混合IT环境中,Linux机器管理Wi

热心网友
04.07
全网炸了!5亿人用的Axios竟被投毒,你的密钥还保得住吗?
科技数码
全网炸了!5亿人用的Axios竟被投毒,你的密钥还保得住吗?

早些时候,聊过 Python 领域那场惊心动魄的供应链攻击。当时我就感叹,虽然我们 JavaScript 开发者对这类套路烂熟于心,但亲眼目睹这种规模的“投毒”还是头一次。 早些时候,聊过 Pyth

热心网友
04.07
Toga,一个超精简的 Python 项目!
科技数码
Toga,一个超精简的 Python 项目!

Toga 是 BeeWare 家族的核心成员,号称“写一次,跑遍所有平台”,而且用的是系统原生控件,不是那种一看就是网页套壳的界面 。 写了这么多年 Python,你是不是也想过:要是能一套代码跑

热心网友
04.07
Python 异常处理:别再用裸奔的 try 了
科技数码
Python 异常处理:别再用裸奔的 try 了

异常处理的核心:让错误在正确的地方被有效处理。正确的地方,就是别在底层就把异常吞了,也别在顶层还抛裸奔的 Exception。 异常处理写得好,半夜不用起来改 bug。1 你是不是也这么干过?tr

热心网友
04.07
OpenClaw如何自定义SKILL
AI
OpenClaw如何自定义SKILL

1 Skills机制概述 提起OpenClaw的Skills机制,不少人可能会把它想象成传统意义上的可执行插件。其实,它的内涵要更精妙一些。 简单说,Skills本质上是一套基于提示驱动的能力扩展机制。它并不是一个可以独立“跑”起来的程序模块,而是通过一份结构化描述文件(核心就是那个SKILL m

热心网友
04.07

最新APP

宝宝过生日
宝宝过生日
应用辅助 04-07
台球世界
台球世界
体育竞技 04-07
解绳子
解绳子
休闲益智 04-07
骑兵冲突
骑兵冲突
棋牌策略 04-07
三国真龙传
三国真龙传
角色扮演 04-07

热门推荐

美国SEC主席Paul Atkins证实:加密货币安全港提案已送交白宫审查
web3.0
美国SEC主席Paul Atkins证实:加密货币安全港提案已送交白宫审查

加密货币行业翘首以盼的监管里程碑,终于有了实质性进展。美国证券交易委员会(SEC)主席保罗·阿特金斯(Paul Atkins)近日证实,那份允许加密项目在早期获得注册豁免权的“安全港”框架提案,已经正式送抵白宫,进入了最终审查阶段。 在范德堡大学与区块链协会联合举办的数字资产峰会上,阿特金斯透露了这

热心网友
04.08
微策略Strategy报告:第一季录得144.6亿美元浮亏 再斥资约3.3亿美元买进4871枚比特币
web3.0
微策略Strategy报告:第一季录得144.6亿美元浮亏 再斥资约3.3亿美元买进4871枚比特币

微策略Strategy报告:第一季录得144 6亿美元浮亏 再斥资约3 3亿美元买进4871枚比特币 市场震荡的威力有多大?看看Strategy的最新季报就明白了。根据其最新向美国证管会(SEC)提交的8-K报告,受市场剧烈波动影响,这家公司所持的比特币在第一季度录得了一笔惊人的数字——144 6亿

热心网友
04.08
稳定币发行商Tether再扩Web3版图!Paolo Ardoino:正开发去中心化搜索引擎Hypersearch
web3.0
稳定币发行商Tether再扩Web3版图!Paolo Ardoino:正开发去中心化搜索引擎Hypersearch

稳定币巨头Tether的动向,向来是加密世界的风向标。这不,它向Web3基础设施的版图扩张,又迈出了关键一步。公司执行长Paolo Ardoino在社交平台X上透露,其工程团队正在全力“烹制”一个新项目——去中心化搜索引擎 “Hypersearch”。这个消息一出,立刻引发了行业的广泛猜想。 采用D

热心网友
04.08
Base链首个原生DeFi借贷协议Seamless Protocol倒闭 将于2026年6月30日下线
web3.0
Base链首个原生DeFi借贷协议Seamless Protocol倒闭 将于2026年6月30日下线

基地位于Coinbase旗下以太坊Layer2网络Base的Seamless Protocol,日前正式宣告了服务的终结。这个曾经吸引了超过20万用户的原生DeFi借贷协议,在运营不到三年后,终究没能跑赢时间。它主打的核心产品是Integrated Leverage Markets(ILMs)——一

热心网友
04.08
PAAL代币如何参与治理?社区投票能决定哪些事项?
web3.0
PAAL代币如何参与治理?社区投票能决定哪些事项?

PAAL代币揭秘:深度解析Web3社区治理的核心钥匙 在去中心化自治组织的浪潮中,谁真正掌握了项目的话语权?PAAL代币提供了一套系统化的答案。它不仅是生态内流转的价值媒介,更是开启链上治理大门的核心凭证。通过持有并质押PAAL代币,用户能够对协议升级、资金分配乃至战略方向等关键事务投出决定性的一票

热心网友
04.08